Фильтр воздушный P772507 [Donaldson]

Цена: 8640 руб.
Фильтр воздушный P772507 Donaldson для тракторов, комбайнов, бульдозеров, экскаваторов и др. Артикулы: New Holland 80418795; Massey Ferguson 2874165M1.

Фильтр воздушный P772507 [Donaldson]

Donaldson
США
Применение:

Система подачи воздуха в двигатель (или салон) Fiat (8361SL), Mercedes (OM 421, OM422) сельскохозяйственной техники New Holland 8080, TF44, TF46.

Назначение:

Воздушный фильтр P772507 Donaldson предназначен для очистки воздуха от дорожной пыли, сажи из выхлопных газов и других абразивных частиц, поступающих в двигатель (салон) вместе с воздухом. Воздушный фильтр также уменьшает шум, повышает равномерность воздушного потока и снижает риск попадания воды в двигатель.

Особенности:

Цилиндрический корпус изготовлен из сетчатого материала и закрыт двумя крышками. Фильтрующий материал - целлюлоза или синтетика. Герметизацию фильтрующего элемента в корпусе обеспечивают уплотнительные прокладки размещены на крышках.

Воздушный фильтр прост в монтаже, одноразовый и не подлежит восстановлению (хотя производители агротехники, в пределах допустимых норм, позволяют осуществлять механическую очистку фильтра от загрязнения).

Дополнительная информация:

Donaldson - компанія заснована у 1915 році у США. Зараз компанія представлена у 44 країнах світу та володіє більш ніж 1600 патентами в різних галузях: сільське господарство, електроенергетика, фармацевтика, аерокосмічні та оборонно-промислові комплекси, харчова промисловість та інші. Компанія Donaldson постійно вдосконалює інноваційні технології фільтрації, вчасно відповідає вимогам ринку та потребам споживачів.

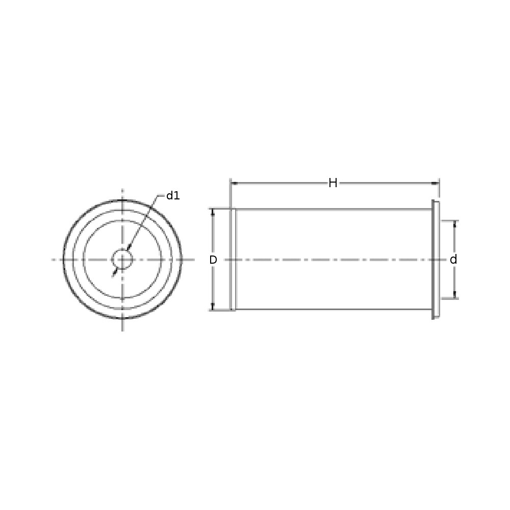
Параметры

Вес , W kg 4.5
Внутренний диаметр , d mm 132
Внешний диаметр , D mm 242
Высота , H mm 499
Диаметр внутренний , d1 mm 10
Диаметр внешний , D1 mm 310
Высота , H2 mm 486
Тип фильтра Воздушный-Цилиндрический

Применение

8361SL OM 421 OM 422 44 8080 TF 44 TF 46 8080

OEM номера

P772507 C24650/7 2874165M1 80418795 93021E